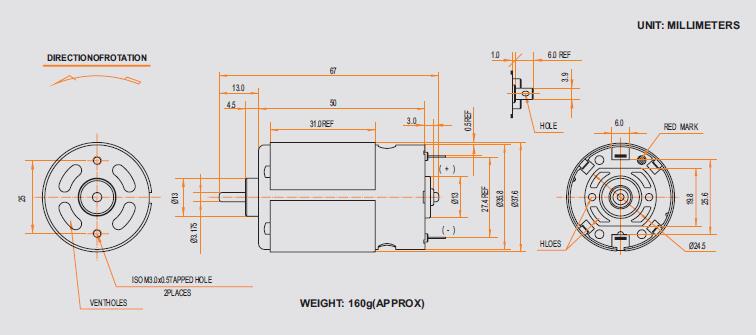
carbon brush motor CYRS-540SM-16400-R2
Typical Application
1. Household Appliances: Vacuum Cleaner Cordless Power Tools
2. Air Compressor, Drill & Screwdriver, Cordless Garden Tool
3. Toys and Models: Radio Control Model
| MODEL | VOLTAGE | NO LOAD | AT MAXIMUM EFFICIENCY | STARTING | ||||||||
| OPERATING RANGE | NOMINAL | CURRENT | SPEED | CURRENT | TORQUE | OUTPUT | TORQUE | CURRENT | ||||
| r/min | A | r/min | A | g.cm | mN.m | w | g.cm | mN.m | A | |||
| CYRS-540SM-16400 | DC12-32V | DC24V | 3752 | 0.058 | 3330 | 0.47 | 106 | 10.4 | 3.63 | 946 | 92.7 | 3.74 |
| CYRS-540SM-22210 | OC4.5-12V | DC12V | 3500 | 0.11 | 2900 | 0.53 | 132.6 | 13 | 4.14 | 789.4 | 77.4 | 2.64 |
Contact: Sammy
Skype:
Tel:
Email: sammyfu@electricmotorscn.com
Add: 5th Floor, Building 3, Huafeng Zhenbao Industrial Park ,Beihuan Road, Shiyan Street, Bao'an District, Shenzhen City, China.